Príslušenstvo k plotu Nice
- DOPREDAJ výroba ukončená - riadiaca jednotka pre SPIDER6100
- Nice Robus 600 BD KCE 9.1Z – zostava pojazdu, pohonu a príslušenstva, pre posuvnú bránu do prejazdu 6,4 m a 600 kg, pozinkovaný profil
Nice Robus 600 BD KCE 9.1Z – zostava pojazdu, pohonu a príslušenstva, pre posuvnú bránu do prejazdu 6,4 m a 600 kg, pozinkovaný profil
- Nice
Nice Robus 600 BD KCE 9.1Z Zostava pojazdových komponentov, pohonu a príslušenstva na výrobu pojazdu a automatizáciu posuvnej samonosnej (nesenej) brány do 6,4 m prejazdnej...
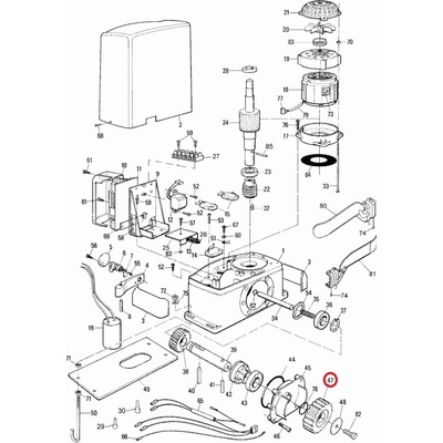
- PD0710A0000 pastorok - kov Z=15 M4 pre ROX600/ROX1000/RO1000/RO500/TH1500/RB600/RB1000/RBS600/RBS1000
PD0710A0000 pastorok - kov Z=15 M4 pre ROX600/ROX1000/RO1000/RO500/TH1500/RB600/RB1000/RBS600/RBS1000
- Nice
PD0710A0000 pastorok - ozubené kolo kovové Z=15 M4 pre ROX600/ROX1000/RO1000/RO500/TH1500/RB600/RB1000/RBS600/RBS1000 Presný rozpis náhradných dielov nájdete na stránke...
- PMD0628.4610 pastorok M4, Z=18 pre staré TH1551,TH1561,TH2251,všetky RUN
PMD0628.4610 pastorok M4, Z=18 pre staré TH1551,TH1561,TH2251,všetky RUN
- Nice
PMD0628.4610 pastorok M4, Z=18 pre THOR1551/1561/2251/2261/RUN1500/1800/2500/2500I/1200HS/400HS Presný rozpis náhradných dielov nájdete na stránke www.kovianportal.sk.
- PRME02R01 kit pre ME3000/3024/3010 - 14,15,16,26,27,32,33,44,47
PRME02R01 kit pre ME3000/3024/3010 - 14,15,16,26,27,32,33,44,47
- Nice
Presný rozpis náhradných dielov nájdete na stránke www.kovianportal.sk.
- Riadiaca jednotka SPMCU1 pre RBS400, RBS600, SPR800 (A)
- Riadiaca jednotka SPMCU2 pre RBS600HS, SPR800W, SPR1200BLW (A)
- DOPREDAJ! potom už len v kite PRHY01, krytka zámku pre HYPPO/SIGNO, RAL7016
DOPREDAJ! potom už len v kite PRHY01, krytka zámku pre HYPPO/SIGNO, RAL7016
- Nice
PPD1011A.45401 krytka zámku pre HYPPO/SIGNO, RAL7016 Presný rozpis náhradných dielov nájdete na stránke www.kovianportal.sk.
- DOPREDAJ! PPD0627.4540 - potom len v kite SPAMG00700
DOPREDAJ! PPD0627.4540 - potom len v kite SPAMG00700
- Nice
PPD0627.4540 koncovka pružiny RO/RUN Presný rozpis náhradných dielov nájdete na stránke www.kovianportal.sk.
- DOPREDAJ! PPD0601.4540 - potom len v kite SPLSM00100
DOPREDAJ! PPD0601.4540 - potom len v kite SPLSM00100
- Nice
PPD0601.4540 krytka mikrospínačov RUN/RB Presný rozpis náhradných dielov nájdete na stránke www.kovianportal.sk.
- PRHK01 kryt pre HYKE HK7024 nebo HK7224
SPEG066A00 transformátor pre HYKE
PRHK06 kit odblokovania pre HYKE
PRHK08 kit držiaku pre HYKE
PRHK07 kit koliesok pre HYKE
POA2 kit koncov ramien pre HYKE
- Vysielač 1-kanálový, 433 MHz
Vysielač 1-kanálový, 433 MHz
- Nice
Domi P1SV – elegantný ovládač, ktorý vám dá kontrolu do ruky Objavte Domi P1SV, jednokanálový ručný rádiový vysielač s moderným dizajnom a širokým využitím. Môžete ho používať...